特征
整合直线导轨及编码器于一体,大幅增加空间效益。兼具直线导轨高刚性及磁性编码器高精度之优点。内藏式尺身及感应读头,不易受外力破坏。讯号感应属非接触性,产品寿命长可做长距离之量测 (磁性尺身部份可达30m)。量测特性,不因含油、水、粉尘及切削屑之恶劣工作环境而改变;另对震动、噪音及高温之环境亦可胜任。 分辨率佳。 安装容易。
产品规格说明
QW系列分为非互换性及互换性型两种直线导轨,两者规格尺寸相同,主要差异点在于互换性型之滑块、滑轨可单独互换使用,较便利,但其组合精度无法达到非互换性型之超精密级以上的精度,不过由于HIWIN互换性型之组合精度目前已达到一定的水平,对不需配对安装直线导轨的客户而言,是一项便利的选择。直线导轨的产品规格型号主要标明直线导轨尺寸、型式、精度等级、预压等规格要求,以利订货时双方对产品的确认。QW系列与WE系列滑轨共享,客户无需为了选用静音式产品而重新设计安装尺寸,如此更加提升了QW系列的应用性与可互换性。
(1) 非互换性直线导轨产品型号

(2) 互换性直线导轨产品型号
互换型滑块产品型号

互换型滑轨产品型号

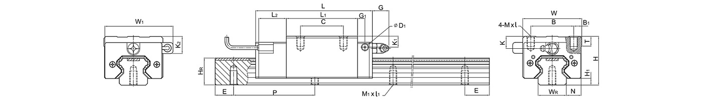
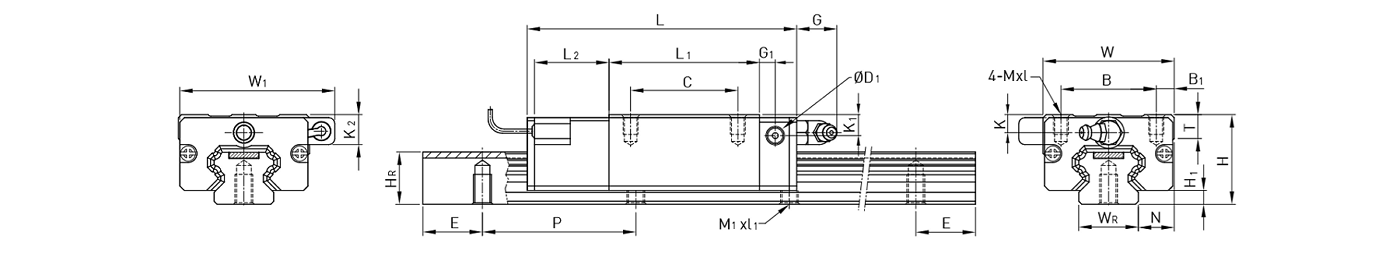
尺寸

| 型号 | 组件尺寸(mm) | 滑块尺寸(mm) | 导轨尺寸(mm) | 基本动额定负荷 | 基本静额定负荷 | 重量 | ||||||||||||||||||||||
|---|---|---|---|---|---|---|---|---|---|---|---|---|---|---|---|---|---|---|---|---|---|---|---|---|---|---|---|---|
| H | H1 | N | W | W1 | B | B1 | C | L | L1 | L2 | G | G1 | D1 | K | K1 | K2 | Mxl | T | WR | HR | M1xl1 | P | E | C(kN) | C0(kN) | 滑块(kg) | 导轨(kg/m) | |
| PGHH20CA | 30 | 4.6 | 12 | 44 | 52 | 32 | 6 | 36 | 90.5 | 50.5 | 25 | 12 | 6 | 5 | 6 | 6 | 10 | M5x6 | 8 | 20 | 17.5 | M6x10 | 60 | 20 | 27.1 | 36.68 | 0.38 | 2.05 |
| PGHH20HA | 30 | 4.6 | 12 | 44 | 52 | 32 | 6 | 50 | 105.2 | 65.2 | 25 | 12 | 6 | 5 | 6 | 6 | 10 | M5x6 | 8 | 20 | 17.5 | M6x10 | 60 | 20 | 32.7 | 47.96 | 0.39 | 2.05 |
| PGHH25CA | 40 | 5.5 | 12.5 | 48 | 55.4 | 35 | 6.5 | 35 | 95 | 58 | 22.5 | 12 | 6 | 5 | 10 | 9 | 14 | M6x8 | 8 | 23 | 22 | M6x12 | 60 | 20 | 34.9 | 52.82 | 0.51 | 3.05 |
| PGHH25HA | 40 | 5.5 | 12.5 | 48 | 55.4 | 35 | 6.5 | 50 | 116 | 78.6 | 22.5 | 12 | 6 | 5 | 10 | 9 | 14 | M6x8 | 8 | 23 | 22 | M6x12 | 60 | 20 | 42.2 | 69.07 | 0.69 | 3.05 |
| PGHH30CA | 45 | 6 | 16 | 60 | 67 | 40 | 10 | 40 | 110 | 70 | 23 | 12 | 6 | 5 | 9.5 | 13.8 | 19 | M8x10 | 8.5 | 28 | 26 | M8x15 | 80 | 20 | 48.5 | 71.87 | 0.88 | 4.31 |
| PGHH30HA | 45 | 6 | 16 | 60 | 67 | 40 | 10 | 60 | 133 | 93 | 23 | 12 | 6 | 5 | 9.5 | 13.8 | 19 | M8x10 | 8.5 | 28 | 26 | M8x15 | 80 | 20 | 58.6 | 93.99 | 1.16 | 4.31 |
| PGHH35CA | 55 | 7.5 | 18 | 70 | 77 | 50 | 10 | 50 | 123 | 80 | 23.4 | 12 | 7 | 5 | 16 | 19.6 | 23.5 | M8x12 | 10.2 | 34 | 29 | M8x17 | 80 | 20 | 64.6 | 93.88 | 1.45 | 6.14 |
| PGHH35HA | 55 | 7.5 | 18 | 70 | 77 | 50 | 10 | 72 | 148.8 | 105.8 | 23.4 | 12 | 7 | 5 | 16 | 19.6 | 23.5 | M8x12 | 10.2 | 34 | 29 | M8x17 | 80 | 20 | 77.9 | 122.77 | 1.92 | 6.14 |
| PGHH45CA | 70 | 9.5 | 20.5 | 86 | 91 | 60 | 13 | 60 | 148 | 97 | 24.5 | 12.9 | 10 | 8.5 | 18.5 | 30.5 | 30.5 | M10x17 | 16 | 45 | 38 | M12x24 | 105 | 22.5 | 103.8 | 146.71 | 2.73 | 10.25 |
| PGHH45HA | 70 | 9.5 | 20.5 | 86 | 91 | 60 | 13 | 80 | 179.8 | 128.8 | 24.5 | 12.9 | 10 | 8.5 | 18.5 | 30.5 | 30.5 | M10x17 | 16 | 45 | 38 | M12x24 | 105 | 22.5 | 125.3 | 191.85 | 3.61 | 10.25 |
| PGHH55CA | 80 | 13 | 23.5 | 100 | 106 | 75 | 12.5 | 75 | 172.7 | 117.7 | 26 | 12.9 | 11 | 8.5 | 22 | 29 | 28.5 | M12x18 | 17.5 | 53 | 44 | M14x25 | 120 | 30 | 153.2 | 211.23 | 4.17 | 14.92 |
| PGHH55HA | 80 | 13 | 23.5 | 100 | 106 | 75 | 12.5 | 95 | 210.8 | 155.8 | 26 | 12.9 | 11 | 8.5 | 22 | 29 | 28.5 | M12x18 | 17.5 | 53 | 44 | M14x25 | 120 | 30 | 184.9 | 276.23 | 5.49 | 14.92 |

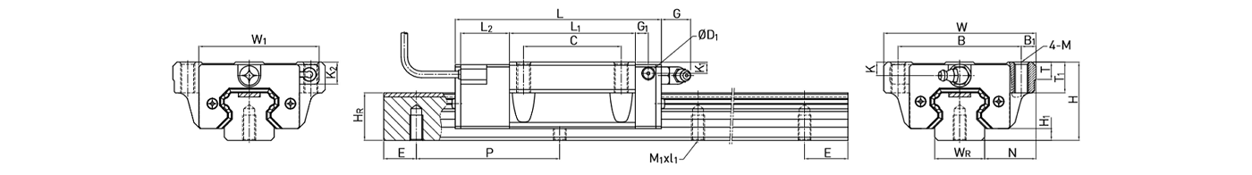
| 型号 | 组件尺寸(mm) | 滑块尺寸(mm) | 导轨尺寸(mm) | 基本动额定负荷 | 基本静额定负荷 | 重量 | |||||||||||||||||||||||
|---|---|---|---|---|---|---|---|---|---|---|---|---|---|---|---|---|---|---|---|---|---|---|---|---|---|---|---|---|---|
| H | H1 | N | W | W1 | B | B1 | C | L | L1 | L2 | G | G1 | D1 | M | K | K1 | K2 | T | T1 | WR | HR | M1xl1 | P | E | C(kN) | C0(kN) | 滑块(kg) | 导轨(kg/m) | |
| PGHW20CA | 30 | 4.6 | 21.5 | 63 | 52 | 53 | 5 | 40 | 90.5 | 50.5 | 25 | 12 | 6 | 5 | M6 | 6 | 6 | 10 | 8 | 10 | 20 | 17.5 | M6x10 | 60 | 20 | 27.1 | 36.68 | 0.4 | 2.05 |
| PGHW20HA | 30 | 4.6 | 21.5 | 63 | 52 | 53 | 5 | 40 | 105.2 | 65.2 | 25 | 12 | 6 | 5 | M6 | 6 | 6 | 10 | 8 | 10 | 20 | 17.5 | M6x10 | 60 | 20 | 32.7 | 47.96 | 0.52 | 2.05 |
| PGHW25CA | 36 | 5.5 | 23.5 | 70 | 55.4 | 57 | 6.5 | 45 | 95 | 58 | 22.5 | 12 | 6 | 5 | M8 | 6 | 5 | 10 | 8 | 14 | 23 | 22 | M6x12 | 60 | 20 | 34.9 | 52.82 | 0.59 | 3.05 |
| PGHW25HA | 36 | 5.5 | 23.5 | 70 | 55.4 | 57 | 6.5 | 45 | 116 | 78.6 | 22.5 | 12 | 6 | 5 | M8 | 6 | 5 | 10 | 8 | 14 | 23 | 22 | M6x12 | 60 | 20 | 42.2 | 69.07 | 0.8 | 3.05 |
| PGHW30CA | 42 | 6 | 31 | 90 | 67 | 72 | 9 | 52 | 110 | 70 | 23 | 12 | 6 | 5 | M10 | 6.5 | 10.8 | 16 | 8.5 | 16 | 28 | 26 | M8x15 | 80 | 20 | 48.5 | 71.87 | 1.09 | 4.31 |
| PGHW30HA | 42 | 6 | 31 | 90 | 67 | 72 | 9 | 52 | 133 | 93 | 23 | 12 | 6 | 5 | M10 | 6.5 | 10.8 | 16 | 8.5 | 16 | 28 | 26 | M8x15 | 80 | 20 | 58.6 | 93.99 | 1.44 | 4.31 |
| PGHW35CA | 48 | 7.5 | 33 | 100 | 77 | 82 | 9 | 62 | 123 | 80 | 23.4 | 12 | 7 | 5 | M10 | 9 | 12.6 | 16.5 | 10.1 | 18 | 34 | 29 | M8x17 | 80 | 20 | 64.6 | 93.88 | 1.56 | 6.14 |
| PGHW35HA | 48 | 7.5 | 33 | 100 | 77 | 82 | 9 | 62 | 148.8 | 105.8 | 23.4 | 12 | 7 | 5 | M10 | 9 | 12.6 | 16.5 | 10.1 | 18 | 34 | 29 | M8x17 | 80 | 20 | 77.9 | 122.77 | 2.06 | 6.14 |
| PGHW45CA | 60 | 9.5 | 37.5 | 120 | 91 | 100 | 10 | 80 | 148 | 97 | 24.5 | 12.9 | 10 | 8.5 | M12 | 8.5 | 20 | 20 | 15.1 | 22 | 45 | 38 | M12x24 | 105 | 22.5 | 103.8 | 146.71 | 2.79 | 10.25 |
| PGHW45HA | 60 | 9.5 | 37.5 | 120 | 91 | 100 | 10 | 80 | 179.8 | 128.8 | 24.5 | 12.9 | 10 | 8.5 | M12 | 8.5 | 20 | 20 | 15.1 | 22 | 45 | 38 | M12x24 | 105 | 22.5 | 125.3 | 191.85 | 3.69 | 10.25 |
| PGHW55CA | 70 | 13 | 43.5 | 140 | 106 | 116 | 12 | 95 | 172.7 | 117.7 | 26 | 12.9 | 11 | 8.5 | M14 | 12 | 19 | 18.5 | 17.5 | 26.5 | 53 | 44 | M14x25 | 120 | 30 | 153.2 | 211.23 | 4.52 | 14.92 |
| PGHW55HA | 70 | 13 | 43.5 | 140 | 106 | 116 | 12 | 95 | 210.8 | 155.8 | 26 | 12.9 | 11 | 8.5 | M14 | 12 | 19 | 18.5 | 17.5 | 26.5 | 53 | 44 | M14x25 | 120 | 30 | 184.9 | 276.23 | 5.96 | 14.92 |

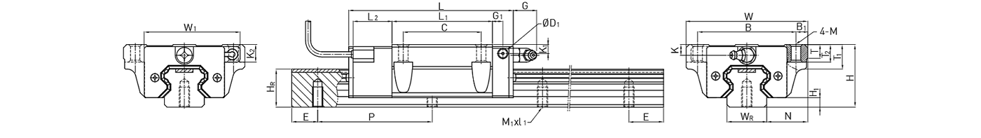
| 组件尺寸(mm) | 滑块尺寸(mm) | 导轨尺寸(mm) | 基本动额定负荷 | 基本静额定负荷 | 重量 | |||||||||||||||||||||||||
|---|---|---|---|---|---|---|---|---|---|---|---|---|---|---|---|---|---|---|---|---|---|---|---|---|---|---|---|---|---|---|
| H | H1 | N | W | W1 | B | B1 | C | L | L1 | L2 | G | G1 | D1 | M | K | K1 | K2 | T | T1 | T2 | WR | HR | M1xl1 | P | E | C(kN) | C0(kN) | 滑块(kg) | 导轨(kg/m) | |
| PGHW20CB | 30 | 4.6 | 21.5 | 63 | 52 | 53 | 5 | 40 | 90.5 | 50.5 | 25 | 12 | 6 | 5 | Ø6 | 6 | 6 | 10 | 8 | 10 | 9.5 | 20 | 17.5 | M6x10 | 60 | 20 | 27.1 | 36.68 | 0.4 | 2.05 |
| PGHW20HB | 30 | 4.6 | 21.5 | 63 | 52 | 53 | 5 | 40 | 105.2 | 65.2 | 25 | 12 | 6 | 5 | Ø6 | 6 | 6 | 10 | 8 | 10 | 9.5 | 20 | 17.5 | M6x10 | 60 | 20 | 32.7 | 47.96 | 0.52 | 2.05 |
| PGHW25CB | 36 | 5.5 | 23.5 | 70 | 55.4 | 57 | 6.5 | 45 | 95 | 58 | 22.5 | 12 | 6 | 5 | Ø7 | 6 | 5 | 10 | 8 | 14 | 10 | 23 | 22 | M6x12 | 60 | 20 | 34.9 | 52.82 | 0.59 | 3.05 |
| PGHW25HB | 36 | 5.5 | 23.5 | 70 | 55.4 | 57 | 6.5 | 45 | 116 | 78.6 | 22.5 | 12 | 6 | 5 | Ø7 | 6 | 5 | 10 | 8 | 14 | 10 | 23 | 22 | M6x12 | 60 | 20 | 42.2 | 69.07 | 0.8 | 3.05 |
| PGHW30CB | 42 | 6 | 31 | 90 | 67 | 72 | 9 | 52 | 110 | 70 | 23 | 12 | 6 | 5 | Ø9 | 6.5 | 10.8 | 16 | 8.5 | 16 | 10 | 28 | 26 | M8x15 | 80 | 20 | 48.5 | 71.87 | 1.09 | 4.31 |
| PGHW30HB | 42 | 6 | 31 | 90 | 67 | 72 | 9 | 52 | 133 | 93 | 23 | 12 | 6 | 5 | Ø9 | 6.5 | 10.8 | 16 | 8.5 | 16 | 10 | 28 | 26 | M8x15 | 80 | 20 | 58.6 | 93.99 | 1.44 | 4.31 |
| PGHW35CB | 48 | 7.5 | 33 | 100 | 77 | 82 | 9 | 62 | 123 | 80 | 23.4 | 12 | 7 | 5 | Ø9 | 9 | 12.6 | 16.5 | 10.1 | 18 | 13 | 34 | 29 | M8x17 | 80 | 20 | 64.6 | 93.88 | 1.56 | 6.14 |
| PGHW35HB | 48 | 7.5 | 33 | 100 | 77 | 82 | 9 | 62 | 148.8 | 105.8 | 23.4 | 12 | 7 | 5 | Ø9 | 9 | 12.6 | 16.5 | 10.1 | 18 | 13 | 34 | 29 | M8x17 | 80 | 20 | 77.9 | 122.77 | 2.06 | 6.14 |
| PGHW45CB | 60 | 9.5 | 37.5 | 120 | 91 | 100 | 10 | 80 | 148 | 97 | 24.5 | 12.9 | 10 | 8.5 | Ø11 | 8.5 | 20 | 20 | 15.1 | 22 | 15 | 45 | 38 | M12x24 | 105 | 22.5 | 103.8 | 146.71 | 2.79 | 10.25 |
| PGHW45HB | 60 | 9.5 | 37.5 | 120 | 91 | 100 | 10 | 80 | 179.8 | 128.8 | 24.5 | 12.9 | 10 | 8.5 | Ø11 | 8.5 | 20 | 20 | 15.1 | 22 | 15 | 45 | 38 | M12x24 | 105 | 22.5 | 125.3 | 191.85 | 3.69 | 10.25 |
| PGHW55CB | 70 | 13 | 43.5 | 140 | 106 | 116 | 12 | 95 | 172.7 | 117.7 | 26 | 12.9 | 11 | 8.5 | Ø14 | 12 | 19 | 18.5 | 17.5 | 26.5 | 17 | 53 | 44 | M14x25 | 120 | 30 | 153.2 | 211.23 | 4.52 | 14.92 |
| PGHW55HB | 70 | 13 | 43.5 | 140 | 106 | 116 | 12 | 95 | 210.8 | 155.8 | 26 | 12.9 | 11 | 8.5 | Ø14 | 12 | 19 | 18.5 | 17.5 | 26.5 | 17 | 53 | 44 | M14x25 | 120 | 30 | 184.9 | 276.23 | 5.96 | 14.92 |

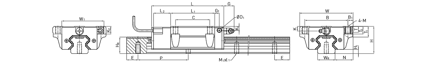
| 型号 | 组件尺寸(mm) | 滑块尺寸(mm) | 导轨尺寸(mm) | 基本动额定负荷 | 基本静额定负荷 | 重量 | ||||||||||||||||||||||||
|---|---|---|---|---|---|---|---|---|---|---|---|---|---|---|---|---|---|---|---|---|---|---|---|---|---|---|---|---|---|---|
| H | H1 | N | W | W1 | B | B1 | C | L | L1 | L2 | G | G1 | D1 | M | K | K1 | K2 | T | T1 | T2 | WR | HR | M1xl1 | P | E | C(kN) | C0(kN) | 滑块(kg) | 导轨(kg/m) | |
| PGHW20CC | 30 | 4.6 | 21.5 | 63 | 52 | 53 | 5 | 40 | 90.5 | 50.5 | 25 | 12 | 6 | 5 | M6 | 6 | 6 | 10 | 8 | 10 | 9.5 | 20 | 17.5 | M6x10 | 60 | 20 | 27.1 | 36.68 | 0.4 | 2.05 |
| PGHW20HC | 30 | 4.6 | 21.5 | 63 | 52 | 53 | 5 | 40 | 105.2 | 65.2 | 25 | 12 | 6 | 5 | M6 | 6 | 6 | 10 | 8 | 10 | 9.5 | 20 | 17.5 | M6x10 | 60 | 20 | 32.7 | 47.96 | 0.52 | 2.05 |
| PGHW25CC | 36 | 5.5 | 23.5 | 70 | 55.4 | 57 | 6.5 | 45 | 95 | 58 | 22.5 | 12 | 6 | 5 | M8 | 6 | 5 | 10 | 8 | 14 | 10 | 23 | 22 | M6x12 | 60 | 20 | 34.9 | 52.82 | 0.59 | 3.05 |
| PGHW25HC | 36 | 5.5 | 23.5 | 70 | 55.4 | 57 | 6.5 | 45 | 116 | 78.6 | 22.5 | 12 | 6 | 5 | M8 | 6 | 5 | 10 | 8 | 14 | 10 | 23 | 22 | M6x12 | 60 | 20 | 42.2 | 69.07 | 0.8 | 3.05 |
| PGHW30CC | 42 | 6 | 31 | 90 | 67 | 72 | 9 | 52 | 110 | 70 | 23 | 12 | 6 | 5 | M10 | 6.5 | 10.8 | 16 | 8.5 | 16 | 10 | 28 | 26 | M8x15 | 80 | 20 | 48.5 | 71.87 | 1.09 | 4.31 |
| PGHW30HC | 42 | 6 | 31 | 90 | 67 | 72 | 9 | 52 | 133 | 93 | 23 | 12 | 6 | 5 | M10 | 6.5 | 10.8 | 16 | 8.5 | 16 | 10 | 28 | 26 | M8x15 | 80 | 20 | 58.6 | 93.99 | 1.44 | 4.31 |
| PGHW35CC | 48 | 7.5 | 33 | 100 | 77 | 82 | 9 | 62 | 123 | 80 | 23.4 | 12 | 7 | 5 | M10 | 9 | 12.6 | 16.5 | 10.1 | 18 | 13 | 34 | 29 | M8x17 | 80 | 20 | 64.6 | 93.88 | 1.56 | 6.14 |
| PGHW35HC | 48 | 7.5 | 33 | 100 | 77 | 82 | 9 | 62 | 148.8 | 105.8 | 23.4 | 12 | 7 | 5 | M10 | 9 | 12.6 | 16.5 | 10.1 | 18 | 13 | 34 | 29 | M8x17 | 80 | 20 | 77.9 | 122.77 | 2.06 | 6.14 |
| PGHW45CC | 60 | 9.5 | 37.5 | 120 | 91 | 100 | 10 | 80 | 148 | 97 | 24.5 | 12.9 | 10 | 8.5 | M12 | 8.5 | 20 | 20 | 15.1 | 22 | 15 | 45 | 38 | M12x24 | 105 | 22.5 | 103.8 | 146.71 | 2.79 | 10.25 |
| PGHW45HC | 60 | 9.5 | 37.5 | 120 | 91 | 100 | 10 | 80 | 179.8 | 128.8 | 24.5 | 12.9 | 10 | 8.5 | M12 | 8.5 | 20 | 20 | 15.1 | 22 | 15 | 45 | 38 | M12x24 | 105 | 22.5 | 125.3 | 191.85 | 3.69 | 10.25 |
| PGHW55CC | 70 | 13 | 43.5 | 140 | 106 | 116 | 12 | 95 | 172.7 | 117.7 | 26 | 12.9 | 11 | 8.5 | M14 | 12 | 19 | 18.5 | 17.5 | 26.5 | 17 | 53 | 44 | M14x25 | 120 | 30 | 153.2 | 211.23 | 4.52 | 14.92 |
| PGHW55HC | 70 | 13 | 43.5 | 140 | 106 | 116 | 12 | 95 | 210.8 | 155.8 | 26 | 12.9 | 11 | 8.5 | M14 | 12 | 19 | 18.5 | 17.5 | 26.5 | 17 | 53 | 44 | M14x25 | 120 | 30 | 184.9 | 276.23 | 5.96 | 14.92 |

| 型号 | 组件尺寸(mm) | 滑块尺寸(mm) | 导轨尺寸(mm) | 基本动额定负荷 | 基本静额定负荷 | 重量 | ||||||||||||||||||||||
|---|---|---|---|---|---|---|---|---|---|---|---|---|---|---|---|---|---|---|---|---|---|---|---|---|---|---|---|---|
| H | H1 | N | W | W1 | B | B1 | C | L | L1 | L2 | G | G1 | D1 | K | K1 | K2 | Mxl | T | WR | HR | M1xl1 | P | E | C(kN) | C0(kN) | 滑块(kg) | 导轨(kg/m) | |
| PGHL25CA | 36 | 5.5 | 12.5 | 48 | 55.4 | 35 | 6.5 | 35 | 95 | 58 | 22.5 | 12 | 6 | 5 | 6 | 9 | 14 | M6x6 | 8 | 23 | 22 | M6x12 | 60 | 20 | 34.9 | 52.82 | 0.51 | 3.05 |
| PGHL25HA | 36 | 5.5 | 12.5 | 48 | 55.4 | 35 | 6.5 | 50 | 116 | 78.6 | 22.5 | 12 | 6 | 5 | 6 | 9 | 14 | M6x6 | 8 | 23 | 22 | M6x12 | 60 | 20 | 42.2 | 69.07 | 0.69 | 3.05 |
| PGHL30CA | 42 | 6 | 16 | 60 | 67 | 40 | 10 | 40 | 110 | 70 | 23 | 12 | 6 | 5 | 6.5 | 10.8 | 16 | M8x10 | 8.5 | 28 | 26 | M8x15 | 80 | 20 | 48.5 | 71.87 | 0.88 | 4.31 |
| PGHL30HA | 42 | 6 | 16 | 60 | 67 | 40 | 10 | 60 | 133 | 93 | 23 | 12 | 6 | 5 | 6.5 | 10.8 | 16 | M8x10 | 8.5 | 28 | 26 | M8x15 | 80 | 20 | 58.6 | 93.99 | 1.16 | 4.31 |
| PGHL35CA | 48 | 7.5 | 18 | 70 | 77 | 50 | 10 | 50 | 123 | 80 | 23.4 | 12 | 7 | 5 | 9 | 12.6 | 16.5 | M8x12 | 10.2 | 34 | 29 | M8x17 | 80 | 20 | 64.6 | 93.88 | 1.45 | 6.14 |
| PGHL35HA | 48 | 7.5 | 18 | 70 | 77 | 50 | 10 | 72 | 148.8 | 105.8 | 23.4 | 12 | 7 | 5 | 9 | 12.6 | 16.5 | M8x12 | 10.2 | 34 | 29 | M8x17 | 80 | 20 | 77.9 | 122.77 | 1.92 | 6.14 |
| PGHL45CA | 60 | 9.5 | 20.5 | 86 | 91 | 60 | 13 | 60 | 148 | 97 | 24.5 | 12.9 | 10 | 8.5 | 8.5 | 20.5 | 20.5 | M10x17 | 16 | 45 | 38 | M12x24 | 105 | 22.5 | 103.8 | 146.71 | 2.73 | 10.25 |
| PGHL45HA | 60 | 9.5 | 20.5 | 86 | 91 | 60 | 13 | 80 | 179.8 | 128.8 | 24.5 | 12.9 | 10 | 8.5 | 8.5 | 20.5 | 20.5 | M10x17 | 16 | 45 | 38 | M12x24 | 105 | 22.5 | 125.3 | 191.85 | 3.61 | 10.25 |
| PGHL55CA | 70 | 13 | 23.5 | 100 | 106 | 75 | 12.5 | 75 | 172.7 | 117.7 | 26 | 12.9 | 11 | 8.5 | 12 | 19 | 18.5 | M12x18 | 17.5 | 53 | 44 | M14x25 | 120 | 30 | 153.2 | 211.23 | 4.17 | 14.92 |
| PGHL55HA | 70 | 13 | 23.5 | 100 | 106 | 75 | 12.5 | 95 | 210.8 | 155.8 | 26 | 12.9 | 11 | 8.5 | 12 | 19 | 18.5 | M12x18 | 17.5 | 53 | 44 | M14x25 | 120 | 30 | ||||