特征
HG系列直线导轨,为四列式单圆弧牙型接触直线导轨,同时整合优化结构设计之重负荷精密直线导轨,相较于其他之直线导轨提升了负荷与刚性能力;具备四方向等负载特色、及自动调心的功能,可吸收安装面的装配误差,得到高精度的要求。高速度、高负荷、高刚性与高精度化概念已成为未来全世界工业产品发展的趋势,HG系列直线导轨,即为基于此理念开发之产品。
应用
机械加工中心、射出机、工具机、冲床、精密加工机、自动化装置、重型切削机床、运输设备、大理石切割机、量测仪器、磨床
产品规格说明
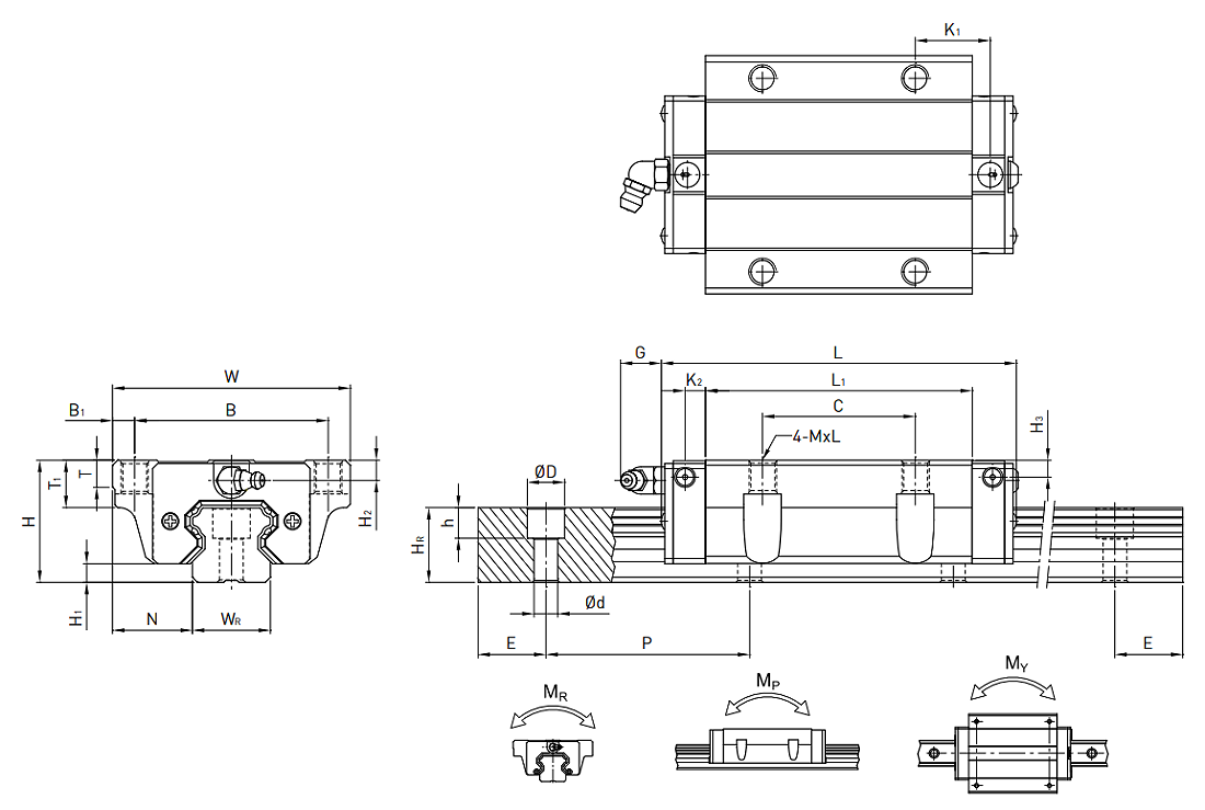
HG系列分为非互换性及互换性型两种直线导轨,两者规格尺寸相同,主要差异点在于互换性型之滑块、滑轨可单出互换使用,较便利,但其组合精度无法达到非互换性型之超高精度,不过由于HIWIN在制造上有良好的尺寸控制及严格的质量要求,互换性型之组合精度目前已达到一定的水平,对不需配对安装直线导轨的客户而言,是一项很好的选择。直线导轨的产品规格型号主要标明直线导轨尺寸、型式、精度等级、预压等规格要求,以利订货时双方对产品的确认。
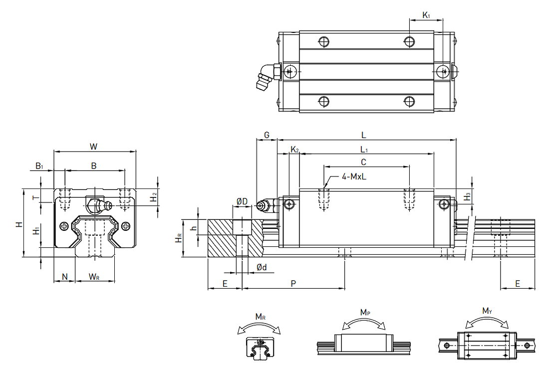
(1) 非互换性直线导轨产品型号

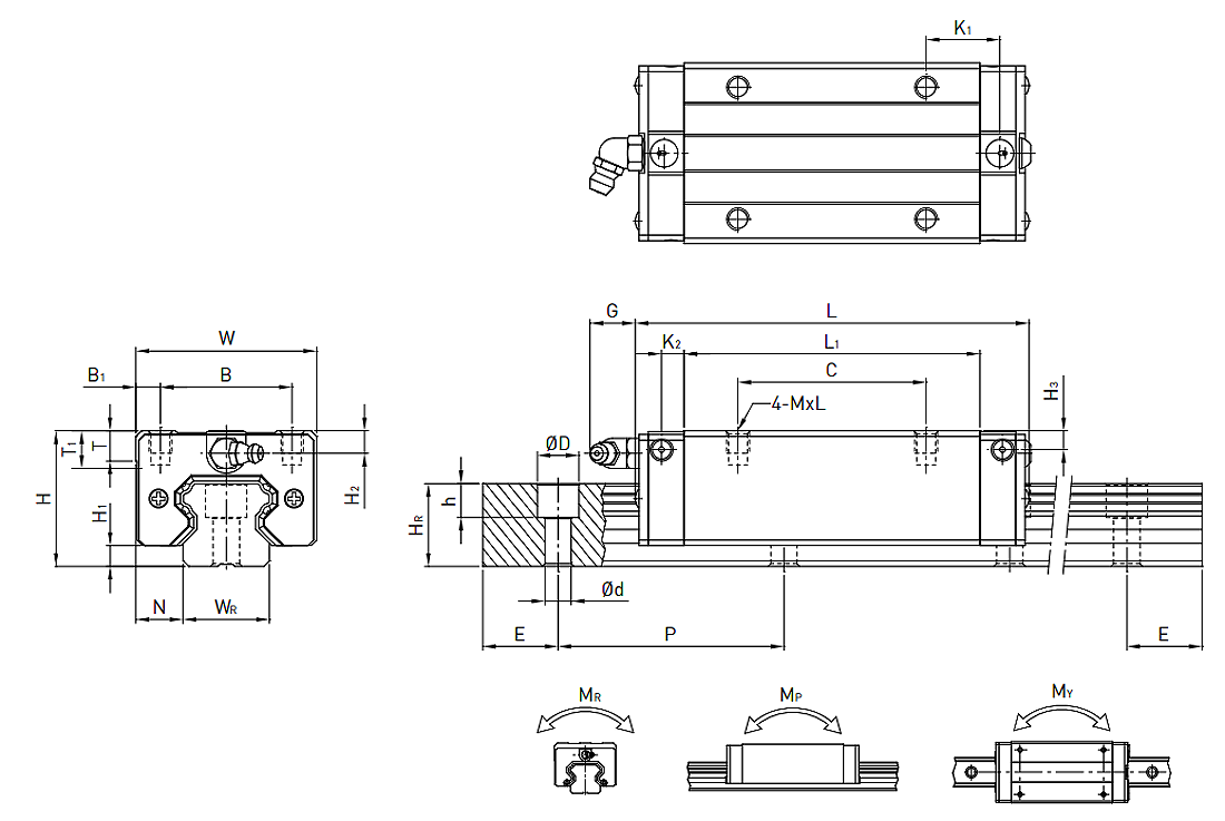
(2) 互换性直线导轨产品型号
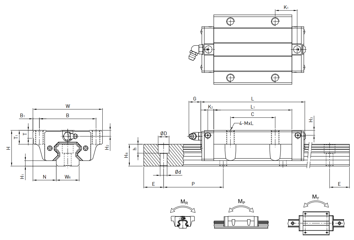
互换型滑块产品型号

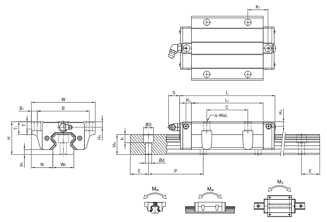
互换型滑轨产品型号


| 型号 | 组件尺寸(mm) | 滑块尺寸(mm) | 导轨尺寸(mm) | 导轨的固定螺栓尺寸 | 基本动额定负荷 | 基本静额定负荷 | 容许静力矩 | 重量 | |||||||||||||||||||||||
|---|---|---|---|---|---|---|---|---|---|---|---|---|---|---|---|---|---|---|---|---|---|---|---|---|---|---|---|---|---|---|---|
| H | H1 | N | W | B | B1 | C | L1 | L | K1 | K2 | G | Mxl | T | H2 | H3 | WR | HR | D | h | d | P | E | (mm) | C(kN) | C0(kN) | MR(kN-m) | MP(kN-m) | MY(kN-m) | 滑块(kg) | 导轨(kg/m) | |
| HGH15CA | 28 | 4.3 | 9.5 | 34 | 26 | 4 | 26 | 39.4 | 61.4 | 10 | 4.85 | 5.3 | M4x5 | 6 | 7.95 | 7.7 | 15 | 15 | 7.5 | 5.3 | 4.5 | 60 | 20 | M4x16 | 14.7 | 23.47 | 0.12 | 0.1 | 0.1 | 0.18 | 1.45 |
| HGH20CA | 30 | 4.6 | 12 | 44 | 32 | 6 | 36 | 50.5 | 77.5 | 12.25 | 6 | 12 | M5x6 | 8 | 6 | 6 | 20 | 17.5 | 9.5 | 8.5 | 6 | 60 | 20 | M5x16 | 27.1 | 36.68 | 0.27 | 0.2 | 0.2 | 0.3 | 2.21 |
| HGH20HA | 30 | 4.6 | 12 | 44 | 32 | 6 | 50 | 65.2 | 92.2 | 12.6 | 6 | 12 | M5x6 | 8 | 6 | 6 | 20 | 17.5 | 9.5 | 8.5 | 6 | 60 | 20 | M5x16 | 32.7 | 47.96 | 0.35 | 0.35 | 0.35 | 0.39 | 2.21 |
| HGH25CA | 40 | 5.5 | 12.5 | 48 | 35 | 6.5 | 35 | 58 | 84 | 15.7 | 6 | 12 | M6x8 | 8 | 10 | 9 | 23 | 22 | 11 | 9 | 7 | 60 | 20 | M6x20 | 34.9 | 52.82 | 0.42 | 0.33 | 0.33 | 0.51 | 3.21 |
| HGH25HA | 40 | 5.5 | 12.5 | 48 | 35 | 6.5 | 50 | 78.6 | 104.6 | 18.5 | 6 | 12 | M6x8 | 8 | 10 | 9 | 23 | 22 | 11 | 9 | 7 | 60 | 20 | M6x20 | 42.2 | 69.07 | 0.56 | 0.57 | 0.57 | 0.69 | 3.21 |
| HGH30CA | 45 | 6 | 16 | 60 | 40 | 10 | 40 | 70 | 97.4 | 20.25 | 6 | 12 | M8x10 | 8.5 | 9.5 | 13.8 | 28 | 26 | 14 | 12 | 9 | 80 | 20 | M8x25 | 48.5 | 71.87 | 0.66 | 0.53 | 0.53 | 0.88 | 4.47 |
| HGH30HA | 45 | 6 | 16 | 60 | 40 | 10 | 60 | 93 | 120.4 | 21.75 | 6 | 12 | M8x10 | 8.5 | 9.5 | 13.8 | 28 | 26 | 14 | 12 | 9 | 80 | 20 | M8x25 | 58.6 | 93.99 | 0.88 | 0.92 | 0.92 | 1.16 | 4.47 |
| HGH35CA | 55 | 7.5 | 18 | 70 | 50 | 10 | 50 | 80 | 112.4 | 20.6 | 7 | 12 | M8x12 | 10.2 | 16 | 19.6 | 34 | 29 | 14 | 12 | 9 | 80 | 20 | M8x25 | 64.6 | 93.88 | 1.16 | 0.81 | 0.81 | 1.45 | 6.3 |
| HGH35HA | 55 | 7.5 | 18 | 70 | 50 | 10 | 72 | 105.8 | 138.2 | 22.5 | 7 | 12 | M8x12 | 10.2 | 16 | 19.6 | 34 | 29 | 14 | 12 | 9 | 80 | 20 | M8x25 | 77.9 | 122.77 | 1.54 | 1.4 | 1.4 | 1.92 | 6.3 |
| HGH45CA | 70 | 9.5 | 20.5 | 86 | 60 | 13 | 60 | 97 | 139.4 | 23 | 10 | 12.9 | M10x17 | 16 | 18.5 | 30.5 | 45 | 38 | 20 | 17 | 14 | 105 | 22.5 | M12x35 | 103.8 | 146.71 | 1.98 | 1.55 | 1.55 | 2.73 | 10.41 |
| HGH45HA | 70 | 9.5 | 20.5 | 86 | 60 | 13 | 80 | 128.8 | 171.2 | 28.9 | 10 | 12.9 | M10x17 | 16 | 18.5 | 30.5 | 45 | 38 | 20 | 17 | 14 | 105 | 22.5 | M12x35 | 125.3 | 191.85 | 2.63 | 2.68 | 2.68 | 3.61 | 10.41 |
| HGH55CA | 80 | 13 | 23.5 | 100 | 75 | 12.5 | 75 | 117.7 | 166.7 | 27.35 | 11 | 12.9 | M12x18 | 17.5 | 22 | 29 | 53 | 44 | 23 | 20 | 16 | 120 | 30 | M14x45 | 153.2 | 211.23 | 3.69 | 2.64 | 2.64 | 4.17 | 15.08 |
| HGH55HA | 80 | 13 | 23.5 | 100 | 75 | 12.5 | 95 | 155.8 | 204.8 | 36.4 | 11 | 12.9 | M12x18 | 17.5 | 22 | 29 | 53 | 44 | 23 | 20 | 16 | 120 | 30 | M14x45 | 184.9 | 276.23 | 4.88 | 4.57 | 4.57 | 5.49 | 15.08 |
| HGH65CA | 90 | 15 | 31.5 | 126 | 76 | 25 | 70 | 144.2 | 200.2 | 43.1 | 14 | 12.9 | M16x20 | 25 | 15 | 15 | 63 | 53 | 26 | 22 | 18 | 150 | 35 | M16x50 | 213.2 | 287.48 | 6.65 | 4.27 | 4.27 | 7 | 21.18 |
| HGH65HA | 90 | 15 | 31.5 | 126 | 76 | 25 | 120 | 203.6 | 259.6 | 47.8 | 14 | 12.9 | M16x20 | 25 | 15 | 15 | 63 | 53 | 26 | 22 | 18 | 150 | 35 | M16x50 | 277.8 | 420.17 | 9.38 | 7.38 | 7.38 | 9.82 | 21.18 |

| 型号 | 组件尺寸(mm) | 滑块尺寸(mm) | 导轨尺寸(mm) | 导轨的固定螺栓尺寸 | 基本动额定负荷 | 基本静额定负荷 | 容许静力矩 | 重量 | |||||||||||||||||||||||
|---|---|---|---|---|---|---|---|---|---|---|---|---|---|---|---|---|---|---|---|---|---|---|---|---|---|---|---|---|---|---|---|
| H | H1 | N | W | B | B1 | C | L1 | L | K1 | K2 | G | Mxl | T | H2 | H3 | WR | HR | D | h | d | P | E | (mm) | C(kN) | C0(kN) | MR(kN-m) | MP(kN-m) | MY(kN-m) | 滑块(kg) | 导轨(kg/m) | |
| HGL15CA | 24 | 4.3 | 9.5 | 34 | 26 | 4 | 26 | 39.4 | 61.4 | 10 | 4.85 | 5.3 | M4x4 | 6 | 3.95 | 3.7 | 15 | 15 | 7.5 | 5.3 | 4.5 | 60 | 20 | M4x16 | 14.7 | 23.47 | 0.12 | 0.1 | 0.1 | 0.14 | 1.45 |
| HGL25CA | 36 | 5.5 | 12.5 | 48 | 35 | 6.5 | 35 | 58 | 84 | 15.7 | 6 | 12 | M6x6 | 8 | 6 | 5 | 23 | 22 | 11 | 9 | 7 | 60 | 20 | M6x20 | 34.9 | 52.82 | 0.42 | 0.33 | 0.33 | 0.42 | 3.21 |
| HGL25HA | 36 | 5.5 | 12.5 | 48 | 35 | 6.5 | 50 | 78.6 | 104.6 | 18.5 | 6 | 12 | M6x6 | 8 | 6 | 5 | 23 | 22 | 11 | 9 | 7 | 60 | 20 | M6x20 | 42.2 | 69.07 | 0.56 | 0.57 | 0.57 | 0.57 | 3.21 |
| HGL30CA | 42 | 6 | 16 | 60 | 40 | 10 | 40 | 70 | 97.4 | 20.25 | 6 | 12 | M8x10 | 8.5 | 6.5 | 10.8 | 28 | 26 | 14 | 12 | 9 | 80 | 20 | M8x25 | 48.5 | 71.87 | 0.66 | 0.53 | 0.53 | 0.78 | 4.47 |
| HGL30HA | 42 | 6 | 16 | 60 | 40 | 10 | 60 | 93 | 120.4 | 21.75 | 6 | 12 | M8x10 | 8.5 | 6.5 | 10.8 | 28 | 26 | 14 | 12 | 9 | 80 | 20 | M8x25 | 58.6 | 93.99 | 0.88 | 0.92 | 0.92 | 1.03 | 4.47 |
| HGL35CA | 48 | 7.5 | 18 | 70 | 50 | 10 | 50 | 80 | 112.4 | 20.6 | 7 | 12 | M8x12 | 10.2 | 9 | 12.6 | 34 | 29 | 14 | 12 | 9 | 80 | 20 | M8x25 | 64.6 | 93.88 | 1.16 | 0.81 | 0.81 | 1.14 | 6.3 |
| HGL35HA | 48 | 7.5 | 18 | 70 | 50 | 10 | 72 | 105.8 | 138.2 | 22.5 | 7 | 12 | M8x12 | 10.2 | 9 | 12.6 | 34 | 29 | 14 | 12 | 9 | 80 | 20 | M8x25 | 77.9 | 122.77 | 1.54 | 1.4 | 1.4 | 1.52 | 6.3 |
| HGL45CA | 60 | 9.5 | 20.5 | 86 | 60 | 13 | 60 | 97 | 139.4 | 23 | 10 | 12.9 | M10x17 | 16 | 8.5 | 20.5 | 45 | 38 | 20 | 17 | 14 | 105 | 22.5 | M12x35 | 103.8 | 146.71 | 1.98 | 1.55 | 1.55 | 2.08 | 10.41 |
| HGL45HA | 60 | 9.5 | 20.5 | 86 | 60 | 13 | 80 | 128.8 | 171.2 | 28.9 | 10 | 12.9 | M10x17 | 16 | 8.5 | 20.5 | 45 | 38 | 20 | 17 | 14 | 105 | 22.5 | M12x35 | 125.3 | 191.85 | 2.63 | 2.68 | 2.68 | 2.75 | 10.41 |
| HGL55CA | 70 | 13 | 23.5 | 100 | 75 | 12.5 | 75 | 117.7 | 166.7 | 27.35 | 11 | 12.9 | M12x18 | 17.5 | 12 | 19 | 53 | 44 | 23 | 20 | 16 | 120 | 30 | M14x45 | 153.2 | 211.23 | 3.69 | 2.64 | 2.64 | 3.25 | 15.08 |
| HGL55HA | 70 | 13 | 23.5 | 100 | 75 | 12.5 | 95 | 155.8 | 204.8 | 36.4 | 11 | 12.9 | M12x18 | 17.5 | 12 | 19 | 53 | 44 | 23 | 20 | 16 | 120 | 30 | M14x45 | 184.9 | 276.23 | 4.88 | 4.57 | 4.57 | 4.27 | 15.08 |

| 型号 | 组件尺寸(mm) | 滑块尺寸(mm) | 导轨尺寸(mm) | 导轨的固定螺栓尺寸 | 基本动额定负荷 | 基本静额定负荷 | 容许静力矩 | 重量 | ||||||||||||||||||||||||
|---|---|---|---|---|---|---|---|---|---|---|---|---|---|---|---|---|---|---|---|---|---|---|---|---|---|---|---|---|---|---|---|---|
| H | H1 | N | W | B | B1 | C | L1 | L | K1 | K2 | G | M | T | T1 | H2 | H3 | WR | HR | D | h | d | P | E | (mm) | C(kN) | C0(kN) | MR(kN-m) | MP(kN-m) | MY(kN-m) | 滑块(kg) | 导轨(kg/m) | |
| HGW15CA | 24 | 4.3 | 16 | 47 | 38 | 4.5 | 30 | 39.4 | 61.4 | 8 | 4.85 | 5.3 | M5 | 6 | 8.9 | 3.95 | 3.7 | 15 | 15 | 7.5 | 5.3 | 4.5 | 60 | 20 | M4x16 | 14.7 | 23.47 | 0.12 | 0.1 | 0.1 | 0.17 | 1.45 |
| HGW20CA | 30 | 4.6 | 21.5 | 63 | 53 | 5 | 40 | 50.5 | 77.5 | 10.25 | 6 | 12 | M6 | 8 | 10 | 6 | 6 | 20 | 17.5 | 9.5 | 8.5 | 6 | 60 | 20 | M5x16 | 27.1 | 36.68 | 0.27 | 0.2 | 0.2 | 0.4 | 2.21 |
| HGW20HA | 30 | 4.6 | 21.5 | 63 | 53 | 5 | 40 | 65.2 | 92.2 | 17.6 | 6 | 12 | M6 | 8 | 10 | 6 | 6 | 20 | 17.5 | 9.5 | 8.5 | 6 | 60 | 20 | M5x16 | 32.7 | 47.96 | 0.35 | 0.35 | 0.35 | 0.52 | 2.21 |
| HGW25CA | 36 | 5.5 | 23.5 | 70 | 57 | 6.5 | 45 | 58 | 84 | 10.7 | 6 | 12 | M8 | 8 | 14 | 6 | 5 | 23 | 22 | 11 | 9 | 7 | 60 | 20 | M6x20 | 34.9 | 52.82 | 0.42 | 0.33 | 0.33 | 0.59 | 3.21 |
| HGW25HA | 36 | 5.5 | 23.5 | 70 | 57 | 6.5 | 45 | 78.6 | 104.6 | 21 | 6 | 12 | M8 | 8 | 14 | 6 | 5 | 23 | 22 | 11 | 9 | 7 | 60 | 20 | M6x20 | 42.2 | 69.07 | 0.56 | 0.57 | 0.57 | 0.8 | 3.21 |
| HGW30CA | 42 | 6 | 31 | 90 | 72 | 9 | 52 | 70 | 97.4 | 14.25 | 6 | 12 | M10 | 8.5 | 16 | 6.5 | 10.8 | 28 | 26 | 14 | 12 | 9 | 80 | 20 | M8x25 | 48.5 | 71.87 | 0.66 | 0.53 | 0.53 | 1.09 | 4.47 |
| HGW30HA | 42 | 6 | 31 | 90 | 72 | 9 | 52 | 93 | 120.4 | 25.75 | 6 | 12 | M10 | 8.5 | 16 | 6.5 | 10.8 | 28 | 26 | 14 | 12 | 9 | 80 | 20 | M8x25 | 58.6 | 93.99 | 0.88 | 0.92 | 0.92 | 1.44 | 4.47 |
| HGW35CA | 48 | 7.5 | 33 | 100 | 82 | 9 | 62 | 80 | 112.4 | 14.6 | 7 | 12 | M10 | 10.1 | 18 | 9 | 12.6 | 34 | 29 | 14 | 12 | 9 | 80 | 20 | M8x25 | 64.6 | 93.88 | 1.16 | 0.81 | 0.81 | 1.56 | 6.3 |
| HGW35HA | 48 | 7.5 | 33 | 100 | 82 | 9 | 62 | 105.8 | 138.2 | 27.5 | 7 | 12 | M10 | 10.1 | 18 | 9 | 12.6 | 34 | 29 | 14 | 12 | 9 | 80 | 20 | M8x25 | 77.9 | 122.77 | 1.54 | 1.4 | 1.4 | 2.06 | 6.3 |
| HGW45CA | 60 | 9.5 | 37.5 | 120 | 100 | 10 | 80 | 97 | 139.4 | 13 | 10 | 12.9 | M12 | 15.1 | 22 | 8.5 | 20.5 | 45 | 38 | 20 | 17 | 14 | 105 | 22.5 | M12x35 | 103.8 | 146.71 | 1.98 | 1.55 | 1.55 | 2.79 | 10.41 |
| HGW45HA | 60 | 9.5 | 37.5 | 120 | 100 | 10 | 80 | 128.8 | 171.2 | 28.9 | 10 | 12.9 | M12 | 15.1 | 22 | 8.5 | 20.5 | 45 | 38 | 20 | 17 | 14 | 105 | 22.5 | M12x35 | 125.3 | 191.85 | 2.63 | 2.68 | 2.68 | 3.69 | 10.41 |
| HGW55CA | 70 | 13 | 43.5 | 140 | 116 | 12 | 95 | 117.7 | 166.7 | 17.35 | 11 | 12.9 | M14 | 17.5 | 26.5 | 12 | 19 | 53 | 44 | 23 | 20 | 16 | 120 | 30 | M14x45 | 153.2 | 211.23 | 3.69 | 2.64 | 2.64 | 4.52 | 15.08 |
| HGW55HA | 70 | 13 | 43.5 | 140 | 116 | 12 | 95 | 155.8 | 204.8 | 36.4 | 11 | 12.9 | M14 | 17.5 | 26.5 | 12 | 19 | 53 | 44 | 23 | 20 | 16 | 120 | 30 | M14x45 | 184.9 | 276.23 | 4.88 | 4.57 | 4.57 | 5.96 | 15.08 |
| HGW65CA | 90 | 15 | 53.5 | 170 | 142 | 14 | 110 | 144.2 | 200.2 | 23.1 | 14 | 12.9 | M16 | 25 | 37.5 | 15 | 15 | 63 | 53 | 26 | 22 | 18 | 150 | 35 | M16x50 | 213.2 | 287.48 | 6.65 | 4.27 | 4.27 | 9.17 | 21.18 |
| HGW65HA | 90 | 15 | 53.5 | 170 | 142 | 14 | 110 | 203.6 | 259.6 | 52.8 | 14 | 12.9 | M16 | 25 | 37.5 | 15 | 15 | 63 | 53 | 26 | 22 | 18 | 150 | 35 | M16x50 | 277.8 | 420.17 | 9.38 | 7.38 | 7.38 | 12.89 | 21.18 |

| 型号 | 组件尺寸(mm) | 滑块尺寸(mm) | 导轨尺寸(mm) | 导轨的固定螺栓尺寸 | 基本动额定负荷 | 基本静额定负荷 | 容许静力矩 | 重量 | |||||||||||||||||||||||||
|---|---|---|---|---|---|---|---|---|---|---|---|---|---|---|---|---|---|---|---|---|---|---|---|---|---|---|---|---|---|---|---|---|---|
| H | H1 | N | W | B | B1 | C | L1 | L | K1 | K2 | G | M | T | T1 | T2 | H2 | H3 | WR | HR | D | h | d | P | E | (mm) | C(kN) | C0(kN) | MR(kN-m) | MP(kN-m) | MY(kN-m) | 滑块(kg) | 导轨(kg/m) | |
| HGW15CB | 24 | 4.3 | 16 | 47 | 38 | 4.5 | 30 | 39.4 | 61.4 | 8 | 4.85 | 5.3 | Ø4.5 | 6 | 8.9 | 6.95 | 3.95 | 3.7 | 15 | 15 | 7.5 | 5.3 | 4.5 | 60 | 20 | M4x16 | 14.7 | 23.47 | 0.12 | 0.1 | 0.1 | 0.17 | 1.45 |
| HGW20CB | 30 | 4.6 | 21.5 | 63 | 53 | 5 | 40 | 50.5 | 77.5 | 10.25 | 6 | 12 | Ø6 | 8 | 10 | 9.5 | 6 | 6 | 20 | 17.5 | 9.5 | 8.5 | 6 | 60 | 20 | M5x16 | 27.1 | 36.68 | 0.27 | 0.2 | 0.2 | 0.4 | 2.21 |
| HGW20HB | 30 | 4.6 | 21.5 | 63 | 53 | 5 | 40 | 65.2 | 92.2 | 17.6 | 6 | 12 | Ø6 | 8 | 10 | 9.5 | 6 | 6 | 20 | 17.5 | 9.5 | 8.5 | 6 | 60 | 20 | M5x16 | 32.7 | 47.96 | 0.35 | 0.35 | 0.35 | 0.52 | 2.21 |
| HGW25CB | 36 | 5.5 | 23.5 | 70 | 57 | 6.5 | 45 | 58 | 84 | 10.7 | 6 | 12 | Ø7 | 8 | 14 | 10 | 6 | 5 | 23 | 22 | 11 | 9 | 7 | 60 | 20 | M6x20 | 34.9 | 52.82 | 0.42 | 0.33 | 0.33 | 0.59 | 3.21 |
| HGW25HB | 36 | 5.5 | 23.5 | 70 | 57 | 6.5 | 45 | 78.6 | 104.6 | 21 | 6 | 12 | Ø7 | 8 | 14 | 10 | 6 | 5 | 23 | 22 | 11 | 9 | 7 | 60 | 20 | M6x20 | 42.2 | 69.07 | 0.56 | 0.57 | 0.57 | 0.8 | 3.21 |
| HGW30CB | 42 | 6 | 31 | 90 | 72 | 9 | 52 | 70 | 97.4 | 14.25 | 6 | 12 | Ø9 | 8.5 | 16 | 10 | 6.5 | 10.8 | 28 | 26 | 14 | 12 | 9 | 80 | 20 | M8x25 | 48.5 | 71.87 | 0.66 | 0.53 | 0.53 | 1.09 | 4.47 |
| HGW30HB | 42 | 6 | 31 | 90 | 72 | 9 | 52 | 93 | 120.4 | 25.75 | 6 | 12 | Ø9 | 8.5 | 16 | 10 | 6.5 | 10.8 | 28 | 26 | 14 | 12 | 9 | 80 | 20 | M8x25 | 58.6 | 93.99 | 0.88 | 0.92 | 0.92 | 1.44 | 4.47 |
| HGW35CB | 48 | 7.5 | 33 | 100 | 82 | 9 | 62 | 80 | 112.4 | 14.6 | 7 | 12 | Ø9 | 10.1 | 18 | 13 | 9 | 12.6 | 34 | 29 | 14 | 12 | 9 | 80 | 20 | M8x25 | 64.6 | 93.88 | 1.16 | 0.81 | 0.81 | 1.56 | 6.3 |
| HGW35HB | 48 | 7.5 | 33 | 100 | 82 | 9 | 62 | 105.8 | 138.2 | 27.5 | 7 | 12 | Ø9 | 10.1 | 18 | 13 | 9 | 12.6 | 34 | 29 | 14 | 12 | 9 | 80 | 20 | M8x25 | 77.9 | 122.77 | 1.54 | 1.4 | 1.4 | 2.06 | 6.3 |
| HGW45CB | 60 | 9.5 | 37.5 | 120 | 100 | 10 | 80 | 97 | 139.4 | 13 | 10 | 12.9 | Ø11 | 15.1 | 22 | 15 | 8.5 | 20.5 | 45 | 38 | 20 | 17 | 14 | 105 | 22.5 | M12x35 | 103.8 | 146.71 | 1.98 | 1.55 | 1.55 | 2.79 | 10.41 |
| HGW45HB | 60 | 9.5 | 37.5 | 120 | 100 | 10 | 80 | 128.8 | 171.2 | 28.9 | 10 | 12.9 | Ø11 | 15.1 | 22 | 15 | 8.5 | 20.5 | 45 | 38 | 20 | 17 | 14 | 105 | 22.5 | M12x35 | 125.3 | 191.85 | 2.63 | 2.68 | 2.68 | 3.69 | 10.41 |
| HGW55CB | 70 | 13 | 43.5 | 140 | 116 | 12 | 95 | 117.7 | 166.7 | 17.35 | 11 | 12.9 | Ø14 | 17.5 | 26.5 | 17 | 12 | 19 | 53 | 44 | 23 | 20 | 16 | 120 | 30 | M14x45 | 153.2 | 211.23 | 3.69 | 2.64 | 2.64 | 4.52 | 15.08 |
| HGW55HB | 70 | 13 | 43.5 | 140 | 116 | 12 | 95 | 155.8 | 204.8 | 36.4 | 11 | 12.9 | Ø14 | 17.5 | 26.5 | 17 | 12 | 19 | 53 | 44 | 23 | 20 | 16 | 120 | 30 | M14x45 | 184.9 | 276.23 | 4.88 | 4.57 | 4.57 | 5.96 | 15.08 |
| HGW65CB | 90 | 15 | 53.5 | 170 | 142 | 14 | 110 | 144.2 | 200.2 | 23.1 | 14 | 12.9 | Ø16 | 25 | 37.5 | 23 | 15 | 15 | 63 | 53 | 26 | 22 | 18 | 150 | 35 | M16x50 | 213.2 | 287.48 | 6.65 | 4.27 | 4.27 | 9.17 | 21.18 |
| HGW65HB | 90 | 15 | 53.5 | 170 | 142 | 14 | 110 | 203.6 | 259.6 | 52.8 | 14 | 12.9 | Ø16 | 25 | 37.5 | 23 | 15 | 15 | 63 | 53 | 26 | 22 | 18 | 150 | 35 | M16x50 | 277.8 | 420.17 | 9.38 | 7.38 | 7.38 | 12.89 | 21.18 |

| 型号 | 组件尺寸(mm) | 滑块尺寸(mm) | 导轨尺寸(mm) | 导轨的固定螺栓尺寸 | 基本动额定负荷 | 基本静额定负荷 | 容许静力矩 | 重量 | |||||||||||||||||||||||||
|---|---|---|---|---|---|---|---|---|---|---|---|---|---|---|---|---|---|---|---|---|---|---|---|---|---|---|---|---|---|---|---|---|---|
| H | H1 | N | W | B | B1 | C | L1 | L | K1 | K2 | G | M | T | T1 | T2 | H2 | H3 | WR | HR | D | h | d | P | E | (mm) | C(kN) | C0(kN) | MR(kN-m) | MP(kN-m) | MY(kN-m) | 滑块(kg) | 导轨(kg/m) | |
| HGW15CC | 24 | 4.3 | 16 | 47 | 38 | 4.5 | 30 | 39.4 | 61.4 | 8 | 4.85 | 5.3 | M5 | 6 | 8.9 | 6.95 | 3.95 | 3.7 | 15 | 15 | 7.5 | 5.3 | 4.5 | 60 | 20 | M4x16 | 14.7 | 23.47 | 0.12 | 0.1 | 0.1 | 0.17 | 1.45 |
| HGW20CC | 30 | 4.6 | 21.5 | 63 | 53 | 5 | 40 | 50.5 | 77.5 | 10.25 | 6 | 12 | M6 | 8 | 10 | 9.5 | 6 | 6 | 20 | 17.5 | 9.5 | 8.5 | 6 | 60 | 20 | M5x16 | 27.1 | 36.68 | 0.27 | 0.2 | 0.2 | 0.4 | 2.21 |
| HGW20HC | 30 | 4.6 | 21.5 | 63 | 53 | 5 | 40 | 65.2 | 92.2 | 17.6 | 6 | 12 | M6 | 8 | 10 | 9.5 | 6 | 6 | 20 | 17.5 | 9.5 | 8.5 | 6 | 60 | 20 | M5x16 | 32.7 | 47.96 | 0.35 | 0.35 | 0.35 | 0.52 | 2.21 |
| HGW25CC | 36 | 5.5 | 23.5 | 70 | 57 | 6.5 | 45 | 58 | 84 | 10.7 | 6 | 12 | M8 | 8 | 14 | 10 | 6 | 5 | 23 | 22 | 11 | 9 | 7 | 60 | 20 | M6x20 | 34.9 | 52.82 | 0.42 | 0.33 | 0.33 | 0.59 | 3.21 |
| HGW25HC | 36 | 5.5 | 23.5 | 70 | 57 | 6.5 | 45 | 78.6 | 104.6 | 21 | 6 | 12 | M8 | 8 | 14 | 10 | 6 | 5 | 23 | 22 | 11 | 9 | 7 | 60 | 20 | M6x20 | 42.2 | 69.07 | 0.56 | 0.57 | 0.57 | 0.8 | 3.21 |
| HGW30CC | 42 | 6 | 31 | 90 | 72 | 9 | 52 | 70 | 97.4 | 14.25 | 6 | 12 | M10 | 8.5 | 16 | 10 | 6.5 | 10.8 | 28 | 26 | 14 | 12 | 9 | 80 | 20 | M8x25 | 48.5 | 71.87 | 0.66 | 0.53 | 0.53 | 1.09 | 4.47 |
| HGW30HC | 42 | 6 | 31 | 90 | 72 | 9 | 52 | 93 | 120.4 | 25.75 | 6 | 12 | M10 | 8.5 | 16 | 10 | 6.5 | 10.8 | 28 | 26 | 14 | 12 | 9 | 80 | 20 | M8x25 | 58.6 | 93.99 | 0.88 | 0.92 | 0.92 | 1.44 | 4.47 |
| HGW35CC | 48 | 7.5 | 33 | 100 | 82 | 9 | 62 | 80 | 112.4 | 14.6 | 7 | 12 | M10 | 10.1 | 18 | 13 | 9 | 12.6 | 34 | 29 | 14 | 12 | 9 | 80 | 20 | M8x25 | 64.6 | 93.88 | 1.16 | 0.81 | 0.81 | 1.56 | 6.3 |
| HGW35HC | 48 | 7.5 | 33 | 100 | 82 | 9 | 62 | 105.8 | 138.2 | 27.5 | 7 | 12 | M10 | 10.1 | 18 | 13 | 9 | 12.6 | 34 | 29 | 14 | 12 | 9 | 80 | 20 | M8x25 | 77.9 | 122.77 | 1.54 | 1.4 | 1.4 | 2.06 | 6.3 |
| HGW45CC | 60 | 9.5 | 37.5 | 120 | 100 | 10 | 80 | 97 | 139.4 | 13 | 10 | 12.9 | M12 | 15.1 | 22 | 15 | 8.5 | 20.5 | 45 | 38 | 20 | 17 | 14 | 105 | 22.5 | M12x35 | 103.8 | 146.71 | 1.98 | 1.55 | 1.55 | 2.79 | 10.41 |
| HGW45HC | 60 | 9.5 | 37.5 | 120 | 100 | 10 | 80 | 128.8 | 171.2 | 28.9 | 10 | 12.9 | M12 | 15.1 | 22 | 15 | 8.5 | 20.5 | 45 | 38 | 20 | 17 | 14 | 105 | 22.5 | M12x35 | 125.3 | 191.85 | 2.63 | 2.68 | 2.68 | 3.69 | 10.41 |
| HGW55CC | 70 | 13 | 43.5 | 140 | 116 | 12 | 95 | 117.7 | 166.7 | 17.35 | 11 | 12.9 | M14 | 17.5 | 26.5 | 17 | 12 | 19 | 53 | 44 | 23 | 20 | 16 | 120 | 30 | M14x45 | 153.2 | 211.23 | 3.69 | 2.64 | 2.64 | 4.52 | 15.08 |
| HGW55HC | 70 | 13 | 43.5 | 140 | 116 | 12 | 95 | 155.8 | 204.8 | 36.4 | 11 | 12.9 | M14 | 17.5 | 26.5 | 17 | 12 | 19 | 53 | 44 | 23 | 20 | 16 | 120 | 30 | M14x45 | 184.9 | 276.23 | 4.88 | 4.57 | 4.57 | 5.96 | 15.08 |
| HGW65CC | 90 | 15 | 53.5 | 170 | 142 | 14 | 110 | 144.2 | 200.2 | 23.1 | 14 | 12.9 | M16 | 25 | 37.5 | 23 | 15 | 15 | 63 | 53 | 26 | 22 | 18 | 150 | 35 | M16x50 | 213.2 | 287.48 | 6.65 | 4.27 | 4.27 | 9.17 | 21.18 |
| HGW65HC | 90 | 15 | 53.5 | 170 | 142 | 14 | 110 | 203.6 | 259.6 | 52.8 | 14 | 12.9 | M16 | 25 | 37.5 | 23 | 15 | 15 | 63 | 53 | 26 | 22 | 18 | 150 | 35 | ||||||||