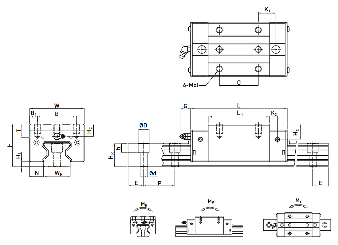
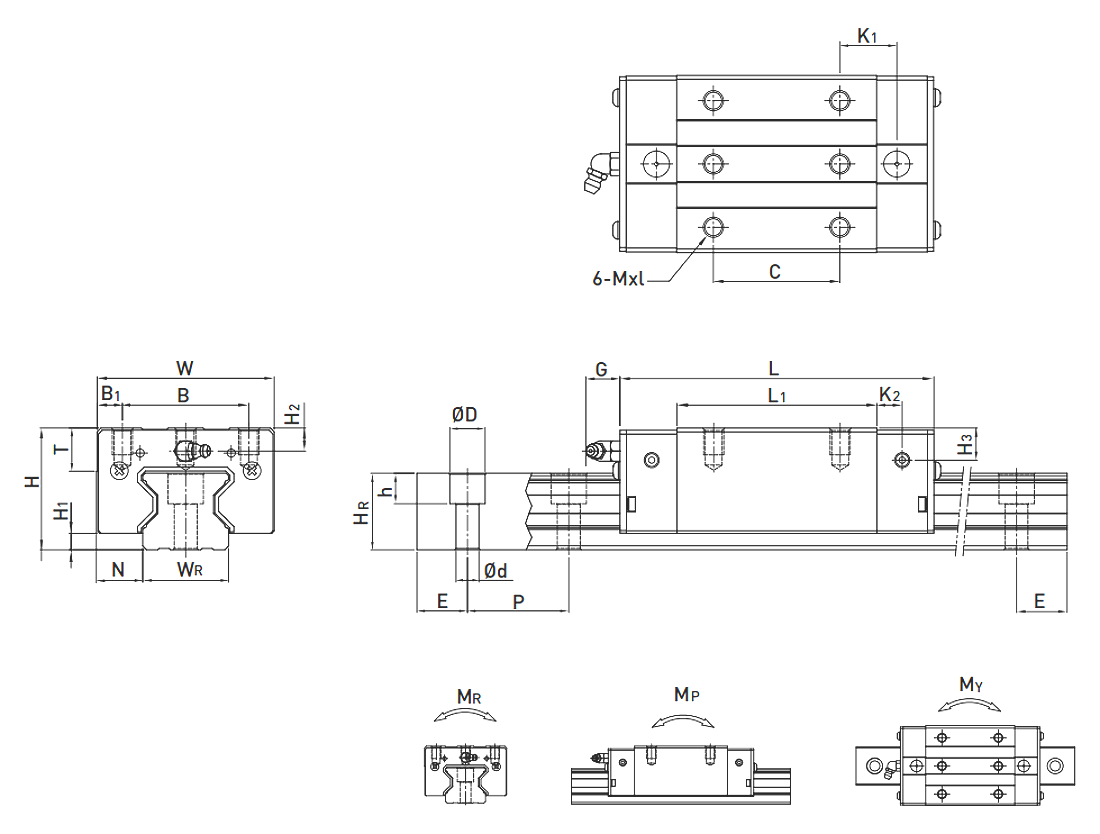
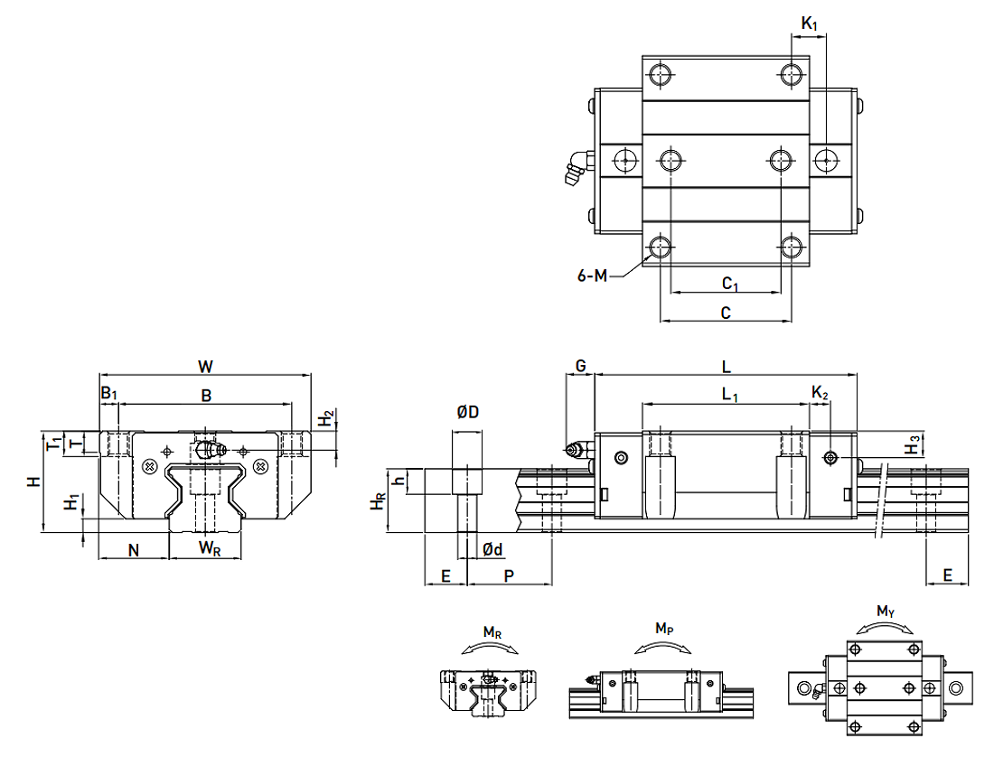
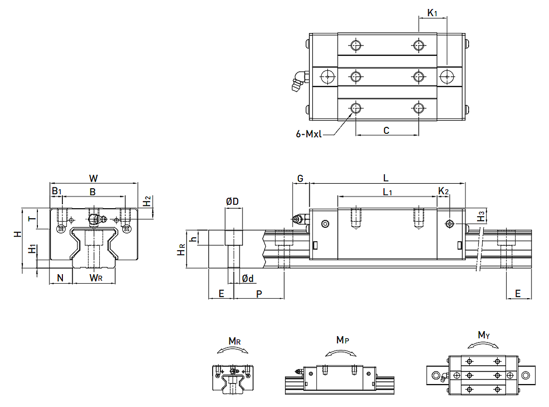
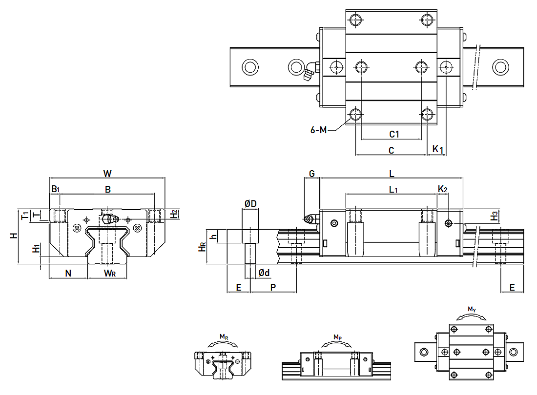
特征
RG系列以滚柱型滚动体取代了钢珠,为实现超高刚性与超重负荷能力而设计;透过滚动体与滑轨与滑块的线接触方式,让滚动体在承受高负荷时仅仅形成微量的弹性变形,更藉由45度的接触角度的设计,让整体直线导轨达到四方向等高刚性、等高负荷能力的特性表现。透过超高刚性的实现,可大幅提升加工精度,达到高精度的要求;由于超重负荷的特性,进而延长直线导轨的使用寿命。
应用
自动化设备、重型搬运设备、CNC加工机、重切削加工机、CNC磨床、射出成型机、放电加工机、大型龙门机床、高刚性与重负荷需求的工作机械







